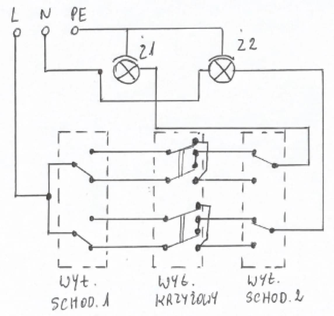
Podłączenie łącznika krzyżowego podwójnego to kluczowy element w instalacji elektrycznej, który umożliwia sterowanie oświetleniem z dwóch miejsc. Aby przeprowadzić tę operację prawidłowo, należy pamiętać o kilku istotnych zasadach. Przede wszystkim, łącznik krzyżowy musi być umieszczony pomiędzy dwoma łącznikami schodowymi, co pozwala na jego prawidłowe funkcjonowanie. W artykule przedstawimy krok po kroku, jak bezpiecznie i efektywnie podłączyć ten element, unikając najczęstszych błędów.
Bezpieczeństwo jest najważniejsze, dlatego przed przystąpieniem do pracy należy zawsze wyłączyć zasilanie. Przygotowanie odpowiednich narzędzi, takich jak śrubokręt czy obcęgi, jest równie istotne. W dalszej części artykułu omówimy również, jak zidentyfikować przewody w instalacji oraz kiedy warto skorzystać z pomocy profesjonalisty. Dzięki temu będziesz mógł uniknąć typowych problemów związanych z instalacją.Najistotniejsze informacje:
- Łącznik krzyżowy powinien być umieszczony pomiędzy dwoma łącznikami schodowymi.
- Przed rozpoczęciem pracy zawsze wyłącz zasilanie w obwodzie.
- Potrzebne narzędzia to m.in. śrubokręt, obcęgi i nóż do izolacji.
- Użyj przewodów 3-żyłowych lub 5x1.5 mm² w przypadku łącznika podwójnego.
- Sprawdzaj i zabezpieczaj wszystkie połączenia taśmą izolacyjną.
- W przypadku braku doświadczenia, rozważ skorzystanie z usług elektryka.
Jak prawidłowo podłączyć łącznik krzyżowy podwójny krok po kroku
Aby poprawnie podłączyć łącznik krzyżowy podwójny, należy najpierw upewnić się, że jest on umieszczony pomiędzy dwoma łącznikami schodowymi. Ten element instalacji nie może funkcjonować samodzielnie, dlatego jego prawidłowe umiejscowienie jest kluczowe. Proces montażu wymaga również wyłączenia zasilania w obwodzie, co zapewnia bezpieczeństwo podczas pracy.
Przygotowanie do podłączenia obejmuje zgromadzenie odpowiednich narzędzi, takich jak śrubokręt, obcęgi i nóż do izolacji. Zazwyczaj używa się przewodów elektrycznych 3-żyłowych, a w przypadku łącznika podwójnego może być potrzebny przewód 5x1.5 mm². Warto również pamiętać o odpowiednich złączkach instalacyjnych, takich jak WAGO, które ułatwiają łączenie przewodów.
Podłączenie przewodów do łącznika krzyżowego
Podczas podłączania łącznika krzyżowego, przewody korespondencyjne, często w kolorze czerwonym, należy odpowiednio połączyć z zaciskami wejściowymi i wyjściowymi łącznika. W przypadku łącznika podwójnego, potrzebne będą cztery przewody - po dwa na każdą sekcję. Przewody oznaczone jako wejściowe, zazwyczaj z oznaczeniem strzałki skierowanej do wnętrza wyłącznika, podłącza się do przewodów z łącznika schodowego, a wyjściowe, z strzałką skierowaną na zewnątrz, prowadzi się do drugiego łącznika schodowego.
Po zakończeniu podłączania, ważne jest, aby wszystkie połączenia były solidne i zabezpieczone taśmą izolacyjną. Po ponownym włączeniu zasilania, należy przetestować działanie układu. Samodzielny montaż jest możliwy, ale jeśli nie masz doświadczenia, warto rozważyć zlecenie tej pracy profesjonalistce.
Wybór odpowiednich narzędzi i materiałów do instalacji
Aby prawidłowo podłączyć łącznik krzyżowy podwójny, ważne jest, aby zgromadzić odpowiednie narzędzia i materiały. Wśród podstawowych narzędzi, które będą potrzebne, znajdują się śrubokręt, obcęgi oraz nóż do izolacji. Te narzędzia pozwolą na precyzyjne i bezpieczne wykonanie wszystkich niezbędnych połączeń elektrycznych. Warto również zaopatrzyć się w złączki instalacyjne, takie jak WAGO, które ułatwiają łączenie przewodów.
Jeśli chodzi o materiały, do podłączenia łącznika krzyżowego podwójnego, zazwyczaj używa się przewodów 3-żyłowych. W przypadku bardziej złożonych instalacji, może być konieczne zastosowanie przewodu 5x1.5 mm². Warto również pamiętać o taśmie izolacyjnej, która jest niezbędna do zabezpieczenia połączeń. Poniżej przedstawiamy listę rekomendowanych narzędzi, które ułatwią proces instalacji:
- Śrubokręt krzyżakowy
- Obcęgi uniwersalne
- Nóż do izolacji
- Taśma izolacyjna
- Przewody elektryczne 3-żyłowe oraz 5x1.5 mm²
- Złączki instalacyjne WAGO

Jak zidentyfikować przewody w instalacji elektrycznej
Identyfikacja przewodów w instalacji elektrycznej jest kluczowym krokiem, aby prawidłowo podłączyć łącznik krzyżowy podwójny. Wiele przewodów ma swoje unikalne kolory, które pomagają w ich rozróżnieniu. Zazwyczaj przewody fazowe są w kolorze brązowym lub czarnym, przewody neutralne są niebieskie, a przewody ochronne mają kolor zielono-żółty. Znajomość tych kolorów jest niezbędna, aby uniknąć błędów podczas podłączania i zapewnić bezpieczeństwo instalacji.
W przypadku instalacji, w których przewody są już zainstalowane, można również użyć multimetru, aby sprawdzić, który przewód jest fazowy, a który neutralny. Użycie odpowiednich narzędzi, takich jak tester napięcia, pozwala na dokładne zidentyfikowanie funkcji przewodów. Pamiętaj, aby zawsze upewnić się, że zasilanie jest wyłączone przed rozpoczęciem jakichkolwiek prac związanych z przewodami, aby zminimalizować ryzyko porażenia prądem.
Częste błędy przy podłączaniu łącznika krzyżowego - jak ich uniknąć
Podczas podłączania łącznika krzyżowego podwójnego, można popełnić kilka typowych błędów, które mogą prowadzić do problemów z działaniem instalacji. Jednym z najczęstszych błędów jest nieprawidłowe połączenie przewodów. Warto upewnić się, że przewody korespondencyjne są podłączone do właściwych zacisków. Złe połączenie może spowodować, że łącznik nie będzie działał poprawnie lub nawet stworzy zagrożenie pożarowe.
Innym powszechnym błędem jest brak zabezpieczeń na połączeniach. Niezabezpieczone przewody mogą prowadzić do zwarcia i uszkodzenia instalacji. Zawsze należy używać taśmy izolacyjnej do zabezpieczenia połączeń oraz upewnić się, że wszystkie przewody są odpowiednio zamocowane. Warto również unikać korzystania z przewodów o niewłaściwej średnicy, które mogą nie wytrzymać obciążenia. Przestrzeganie tych zasad pomoże uniknąć wielu problemów związanych z instalacją.

Kiedy warto zasięgnąć porady profesjonalisty w instalacji elektrycznej
W sytuacjach, gdy masz wątpliwości co do prawidłowego podłączenia łącznika krzyżowego podwójnego, warto rozważyć skonsultowanie się z profesjonalnym elektrykiem. Jeśli nie masz doświadczenia w pracy z instalacjami elektrycznymi, skorzystanie z pomocy specjalisty może zapobiec potencjalnym problemom oraz zapewnić bezpieczeństwo. W przypadku bardziej skomplikowanych instalacji, które wymagają zaawansowanej wiedzy, zatrudnienie fachowca staje się wręcz koniecznością.
Profesjonalny elektryk nie tylko pomoże w poprawnym podłączeniu, ale również zwróci uwagę na inne aspekty, takie jak zgodność z przepisami oraz standardami bezpieczeństwa. Dodatkowo, skorzystanie z usług specjalisty może zaoszczędzić czas i nerwy, eliminując ryzyko błędów, które mogą prowadzić do uszkodzenia sprzętu lub zagrożenia pożarowego.
Nowoczesne technologie w instalacjach elektrycznych - przyszłość łączników
W miarę jak technologia rozwija się, instalacje elektryczne również przechodzą ewolucję. Inteligentne łączniki i systemy automatyki domowej stają się coraz bardziej popularne, oferując użytkownikom możliwość zdalnego sterowania oświetleniem oraz innymi urządzeniami elektrycznymi. Dzięki aplikacjom mobilnym i integracji z systemami typu smart home, użytkownicy mogą teraz zarządzać oświetleniem z dowolnego miejsca, co zwiększa komfort i oszczędność energii.
Warto również zwrócić uwagę na systemy zarządzania energią, które monitorują zużycie energii w czasie rzeczywistym. Takie rozwiązania pozwalają na optymalizację użycia energii oraz identyfikację obszarów, w których można wprowadzić oszczędności. Inwestycja w nowoczesne technologie nie tylko ułatwia życie, ale także przyczynia się do bardziej zrównoważonego korzystania z zasobów, co jest niezwykle istotne w kontekście ochrony środowiska.





